產品系列
- 32.768KHz
- 石英晶振
- 貼片晶振
- 聲表面濾波器
- 陶瓷晶振
- 陶瓷霧化片
- 陶瓷濾波器
- 微孔霧化片
- CTS晶振
- KDS晶振
- 愛普生晶振
- 西鐵城晶振
- 精工晶體
- 村田晶振
- 京瓷晶振
- DST310S晶振
- 日本大河晶體
- NDK晶振
- 亞陶晶振
- 日本富士晶振
- NAKA晶振
- SMI晶振
- NKG晶振
- NJR晶振
- 臺灣加高諧振器
- 臺灣鴻星晶體
- TXC晶振
- 臺灣希華晶振
- 臺灣泰藝晶體
- NSK晶振
- AKER晶振
- Dynamic迪拉尼晶振
- Q-Tech晶振
- ABRACON晶振
- VECTRON晶振
- JAUCH晶振
- ConnorWinfield晶振
- Rakon晶振
- ECS晶振
- Greenray晶振
- ECLIPTEK晶振
- GOLLEDGE晶振
- STATEK晶振
- Pletronics晶振
- SITIME晶振
- Microcrystal晶振
- RALTRON晶振
- AEK晶振
- AEL晶振
- ILSI晶振
- FOX晶振
- fujicom晶振
- CRYSTEK晶振
- interquip晶振
- Geyer晶振
- quartzcom晶振
- qantek晶振
- EUROQUARTZ晶振
- quarztechnik晶振
- Cardinal晶振
- FRE-TECH晶振
- KVG晶振
- wi2wi晶振
- Transko晶振
- suntsu晶振
- mmdcomp晶振
- MERCURY晶振
- MTRONPTI晶振
- ACT晶振
- MTI晶振
- Lihom晶振
- Rubyquartz晶振
- Oscilent晶振
- SHINSUNG晶振
- ITTI晶振
- PDI晶振
- IQD晶振
- Microchip晶振
- Silicon晶振
- Anderson晶振
- Fortiming晶振
- CORE晶振
- NIPPON晶振
- NIC晶振
- QVS晶振
- Bomar晶振
- Bliley晶振
- GED晶振
- FILTRONETICS晶振
- STD晶振
- Wenzel晶振
- NEL晶振
- EM晶振
- PETERMANN晶振
- FCD-Tech晶振
- HEC晶振
- FMI晶振
- Macrobizes晶振
- AXTAL晶振
- SUNNY晶振
- ARGO晶振
- Renesas瑞薩晶振
- SKYWORKS晶振
晶振廠家
進口晶振
臺產晶振
歐美晶振
Tel:0755-27838351
Add:廣東深圳市寶安區67區留仙一路甲岸科技園3棟5樓
Email:konuaer@163.com
QQ:632862232
晶振官方博客
更多>>.jpg)

NX2520SA-26MHZ-STD-CSX-1/2520mm/26MHz/±10ppm/SMD晶振詳情,日本電波工業株式NDK晶振,進口晶振型號NX2520SA,編碼為NX2520SA-26MHZ-STD-CSX-1,是一款小體積晶振尺寸2.5x2.0x0.50mm四腳貼片晶振,石英晶振,無源晶振,石英晶體諧振器,無鉛環保晶振,頻率為:26MHz,具有超小型,輕薄型,優異的耐環境性能,耐熱和耐沖擊性,回流溫度曲線(可用于無鉛焊接),貼片晶振應用于:電信設備,短程無線設備,消費設備功能,適用于短程無線設備如藍牙、Wi-Fi,以及參考時鐘源如智能手機和平板電腦。
.gif)
NX2520SA-26MHZ-STD-CSX-1/2520mm/26MHz/±10ppm/SMD晶振詳情,參數表
| Item | Model | NX2520SA | ||
| Standard | Standard | Optional | ||
| Nominal Frequency (MHz) | 16 ≤ F ≤ 80 | 16 ≤ F ≤ 54 | 16 ≤ F ≤ 80 | |
| Overtone Order | Fundamental | |||
| Frequency Tolerance | ±15 × 10−6 | ±10 × 10–6 |
±8×10-6 (16 ≤ F ≤ 40MHz) ±12×10-6 (40 < F ≤ 80MHz) |
|
| (25 ±3 °C) | ||||
| Frequency versus Temperature | ±25 × 10−6 | ±10 × 10–6 | ±10 × 10–6 | |
| Characteristics | (Temp extended case, *1) | |||
| (with reference to +25 °C) | ||||
| Operating Temperature | −40 to +85 | –20 to +75 | –20 to +75 | |
| Range(°C) | (–40 to +85 °C Extended) | |||
| Storage Temperature Range (°C) | −40 to +85 | −40 to +125 | ||
| Equivalent Series Resistance | Refer to *2 | Refer to *3 | Refer to *2 | |
| Level of Drive (μW) | 10 (Max. 100) | 10 (Max. 200) *1 | ||
| Load Capacitance (pF) | 8 | 6 to 32 | ||
| Frequency Aging (+25 °C) | --- | Max. ±3×10-6 / year *1 | ||
| Specifications Number | STD-CSW-6 | STD-CSX-1 | Refer to *4 | |
.gif)
NX2520SA-26MHZ-STD-CSX-1/2520mm/26MHz/±10ppm/SMD晶振詳情 ,尺寸圖

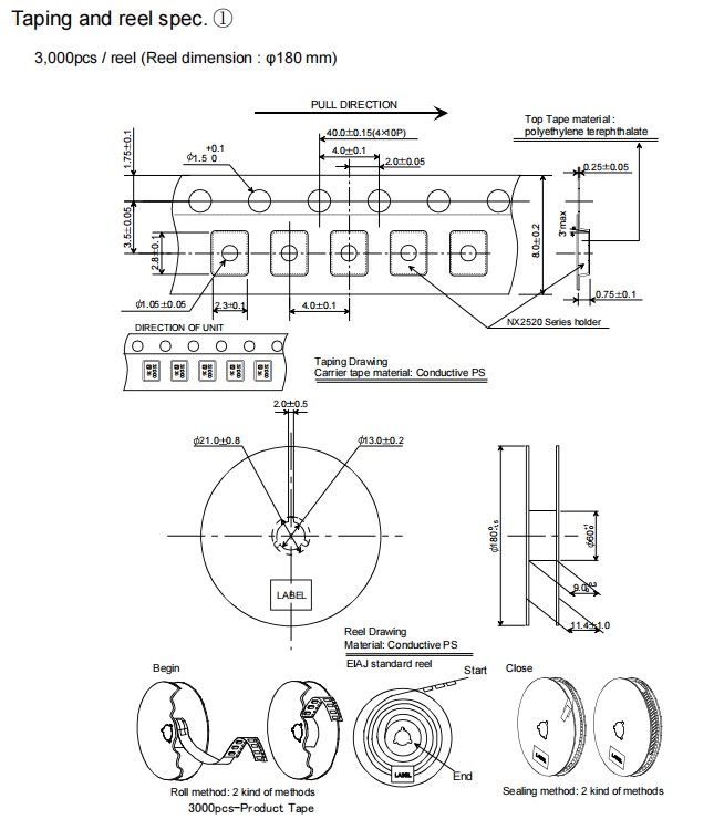
NX2520SA-26MHZ-STD-CSX-1/2520mm/26MHz/±10ppm/SMD晶振詳情,膠帶和卷軸規格
| 原廠編碼 | 品牌 | 型號 | 頻率 | 頻率穩定度 | 包裝/封裝 |
| NX2520SA-16MHZ-STD-CSW-4 | NDK晶振 | NX2520SA | 16MHz | ±15ppm | 4-SMD, No Lead |
| NX2520SA-16.000000MHZ | NDK晶振 | NX2520SA | 16MHz | ±10ppm | 4-SMD, No Lead |
| NX2520SA-24.000000MHZ | NDK晶振 | NX2520SA | 24MHz | ±10ppm | 4-SMD, No Lead |
| NX2520SA-24.000000MHZ-B8 | NDK晶振 | NX2520SA | 24MHz | ±10ppm | 4-SMD, No Lead |
| NX2520SA-48.000000MHZ | NDK晶振 | NX2520SA | 48MHz | ±10ppm | 4-SMD, No Lead |
| NX2520SA-16MHZ-EXS00A-CS05116 | NDK晶振 | NX2520SA | 16MHz | ±15ppm | 4-SMD, No Lead |
| NX2520SA-25.000M-STD-CSW-5 | NDK晶振 | NX2520SA | 25MHz | ±25ppm | 4-SMD, No Lead |
| NX2520SA-26MHZ-STD-CSX-1 | NDK晶振 | NX2520SA | 26MHz | ±10ppm | 4-SMD, No Lead |
| NX2520SA-26.000000MHZ | NDK晶振 | NX2520SA | 26MHz | ±10ppm | 4-SMD, No Lead |
| NX2520SA-30.000000MHZ | NDK晶振 | NX2520SA | 30MHz | ±10ppm | 4-SMD, No Lead |
| NX2520SA-24.576000MHZ | NDK晶振 | NX2520SA | 24.576MHz | ±10ppm | 4-SMD, No Lead |
| NX2520SA-20.000000MHZ | NDK晶振 | NX2520SA | 20MHz | ±10ppm | 4-SMD, No Lead |
| NX2520SA-32.000000MHZ | NDK晶振 | NX2520SA | 32MHz | ±10ppm | 4-SMD, No Lead |
| NX2520SA-44.000000MHZ | NDK晶振 | NX2520SA | 44MHz | ±10ppm | 4-SMD, No Lead |
| NX2520SA-26.000000MHZ-B9 | NDK晶振 | NX2520SA | 26MHz | ±10ppm | 4-SMD, No Lead |
| EXS00A-CS05400 | NDK晶振 | NX2520SA | 19.2MHz | ±30ppm | 4-SMD, No Lead |
| NX2520SA-16MHZ-STD-CSW-5 | NDK晶振 | NX2520SA | 16MHz | ±25ppm | 4-SMD, No Lead |
| NX2520SA-16.000000MHZ-W1 | NDK晶振 | NX2520SA | 16MHz | ±20ppm | 4-SMD, No Lead |
| NX2520SA-40.000000MHZ | NDK晶振 | NX2520SA | 40MHz | ±10ppm | 4-SMD, No Lead |
| NX2520SA-40.000000MHZ-W2 | 石英晶振 | NX2520SA | 40MHz | ±10ppm | 4-SMD, No Lead |
| NX2520SA-40.000000MHZ-W3 | NDK晶振 | NX2520SA | 40MHz | ±10ppm | 4-SMD, No Lead |
| NX2520SA-26MHZ-EXS00A-CS05497 | NDK晶振 | NX2520SA | 26MHz | ±10ppm | 4-SMD, No Lead |
.gif)
1.技術支持 2.客服咨詢
全方位技術指導,專業的技術支持讓您感受到 專業的銷售團隊,耐心為您解答任何疑問,讓您的
前所未有的后顧無憂. 消費得到保障.
3.質量保證,誠信為上 4.提升業績,降低成本
我司以“以科技為動力,以質量求生存”為理念. 為您的產品量身訂制,免費取樣,
為您做到低成本,高效率.

全方位技術指導,專業的技術支持讓您感受到 專業的銷售團隊,耐心為您解答任何疑問,讓您的
前所未有的后顧無憂. 消費得到保障.
3.質量保證,誠信為上 4.提升業績,降低成本
我司以“以科技為動力,以質量求生存”為理念. 為您的產品量身訂制,免費取樣,
為您做到低成本,高效率.

| 深圳市康華爾電子有限公司 |
| 電 話: +86-755-27838351 |
| 手 機:13823300879 |
| 傳 真: +86-755-27883106 |
| Q Q: 632862232 |
| MSN: konuaer@163.com |
| E-mail:konuaer@163.com |
| 網 址:http://www.a7269.cn |
|
地 址:廣東深圳市寶安寶安大道東95號浙商銀行大廈1905 |









銷售代表
售后服務