產品系列
- 32.768KHz
- 石英晶振
- 貼片晶振
- 聲表面濾波器
- 陶瓷晶振
- 陶瓷霧化片
- 陶瓷濾波器
- 微孔霧化片
- CTS晶振
- KDS晶振
- 愛普生晶振
- 西鐵城晶振
- 精工晶體
- 村田晶振
- 京瓷晶振
- DST310S晶振
- 日本大河晶體
- NDK晶振
- 亞陶晶振
- 日本富士晶振
- NAKA晶振
- SMI晶振
- NKG晶振
- NJR晶振
- 臺灣加高諧振器
- 臺灣鴻星晶體
- TXC晶振
- 臺灣希華晶振
- 臺灣泰藝晶體
- NSK晶振
- AKER晶振
- Dynamic迪拉尼晶振
- Q-Tech晶振
- ABRACON晶振
- VECTRON晶振
- JAUCH晶振
- ConnorWinfield晶振
- Rakon晶振
- ECS晶振
- Greenray晶振
- ECLIPTEK晶振
- GOLLEDGE晶振
- STATEK晶振
- Pletronics晶振
- SITIME晶振
- Microcrystal晶振
- RALTRON晶振
- AEK晶振
- AEL晶振
- ILSI晶振
- FOX晶振
- fujicom晶振
- CRYSTEK晶振
- interquip晶振
- Geyer晶振
- quartzcom晶振
- qantek晶振
- EUROQUARTZ晶振
- quarztechnik晶振
- Cardinal晶振
- FRE-TECH晶振
- KVG晶振
- wi2wi晶振
- Transko晶振
- suntsu晶振
- mmdcomp晶振
- MERCURY晶振
- MTRONPTI晶振
- ACT晶振
- MTI晶振
- Lihom晶振
- Rubyquartz晶振
- Oscilent晶振
- SHINSUNG晶振
- ITTI晶振
- PDI晶振
- IQD晶振
- Microchip晶振
- Silicon晶振
- Anderson晶振
- Fortiming晶振
- CORE晶振
- NIPPON晶振
- NIC晶振
- QVS晶振
- Bomar晶振
- Bliley晶振
- GED晶振
- FILTRONETICS晶振
- STD晶振
- Wenzel晶振
- NEL晶振
- EM晶振
- PETERMANN晶振
- FCD-Tech晶振
- HEC晶振
- FMI晶振
- Macrobizes晶振
- AXTAL晶振
- SUNNY晶振
- ARGO晶振
- Renesas瑞薩晶振
- SKYWORKS晶振
晶振廠家
進口晶振
臺產晶振
歐美晶振
Tel:0755-27838351
Add:廣東深圳市寶安區67區留仙一路甲岸科技園3棟5樓
Email:konuaer@163.com
QQ:632862232
晶振官方博客
更多>>.jpg)

X1M0004110019,LV-PECL石英差分晶振,7050mm晶體振蕩器 ,日本愛普生晶振,MG7050EAN進口晶振,X1M0004110019有源晶振,石英晶體振蕩器,LV-PECL石英差分晶振,頻率200MHz,電壓3.3V,工作溫度-5~85°C,頻率穩定性50ppm,尺寸7050mm,超低抖動晶振,GbE晶振,光纖通道晶振,網絡服務器晶振,存儲晶振,路由器晶振,PCI express晶振.
X1M0004110019,LV-PECL石英差分晶振,7050mm晶體振蕩器特點:
●超低抖動:0.3 ps最大值。
●2或4輸出,能夠減少扇出緩沖
●頻率范圍:100mhz ~ 700mhz
●供電電壓:2.5 V / 3.3 V
●外形尺寸:7.0 × 5.0 × 1.6 mm
●輸出:LV-PECL(2路或4路輸出)
●無鉛
●符合歐盟RoHS指令
.gif)
X1M0004110019,LV-PECL石英差分晶振,7050mm晶體振蕩器參數表
| 項目 | 符號 | 規格說明 | 條件 |
| 額定頻率 | f_nom | 200MHz | 請聯系我們以便獲取其它可用頻率的相關信息 |
| 電源電壓 | Vcc | 3.3V | |
| 儲存溫度 | T_stg | -55℃~+125℃ | 裸存 |
| 工作溫度 | T_use | -5℃~ +85℃ | |
| 頻率公差(標準) | f_tol | ±50 ppm | +25℃,超出標準的規格說明請聯系我們以便獲取相關信息 |
| 電流消耗 | f_tem | 102mA Max |
VCC=3.3V、2-outputs
|
| 禁用電流 | I_dis | 20mA Max | OE=GND |
| 對稱性(占空比) | SYM | 45%~55% | 在輸出交叉點 |
| 輸出電壓 | VOH | VCC-0.955V Typ | DC charactenistics |
| VOL | Vcc-1.705VTyp | ||
| 輸出負載條件 | L_ECL | 50Ω |
Terminated to Vcc-2 V
|
| 輸入電壓 | VIH | 70%Vcc Min |
OE, FSEL terminal
|
| VIL | 30%Vcc Max | ||
| 上升下降時間 | tr/tf | 400ps Max | Between 20% and 80% of (VOH+VOL) |
| 起始時間 | t str | 10ms Max | Time at minimum supply voltage to be 0 |
| 相位抖動*2 | tpj | 0.3ps Max | 100M≤fo |
| 老化 | f_aging | ±10ppm/year | +25℃,第一年,Vcc=2.5V,3.3V |
.gif)
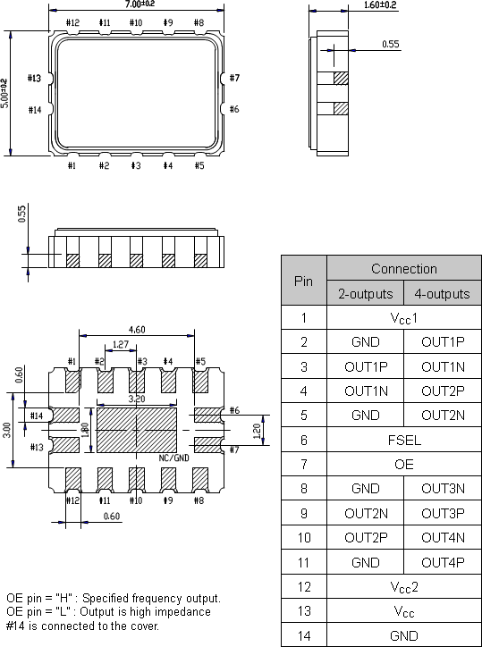
X1M0004110019,LV-PECL石英差分晶振,7050mm晶體振蕩器 尺寸圖

| 編碼 | 型號 | 頻率 | LxWxH/尺寸 | 輸出方式 | 電源電壓 |
| X1M0004110002 | MG7050EAN | 156.250000 MHz | 7.00 x 5.00 x 1.60 mm | LV-PECL | 2.970 to 3.630 V |
| X1M0004110005 | MG7050EAN | 150.000000 MHz | 7.00 x 5.00 x 1.60 mm | LV-PECL | 2.970 to 3.630 V |
| X1M0004110006 | MG7050EAN | 156.250000 MHz | 7.00 x 5.00 x 1.60 mm | LV-PECL | 2.970 to 3.630 V |
| X1M0004110007 | MG7050EAN | 669.325580 MHz | 7.00 x 5.00 x 1.60 mm | LV-PECL | 2.970 to 3.630 V |
| X1M0004110008 | MG7050EAN | 150.000000 MHz | 7.00 x 5.00 x 1.60 mm | LV-PECL | 2.970 to 3.630 V |
| X1M0004110009 | MG7050EAN | 150.000000 MHz | 7.00 x 5.00 x 1.60 mm | LV-PECL | 2.970 to 3.630 V |
| X1M0004110010 | MG7050EAN | 150.000000 MHz | 7.00 x 5.00 x 1.60 mm | LV-PECL | 2.970 to 3.630 V |
| X1M0004110011 | MG7050EAN | 156.250000 MHz | 7.00 x 5.00 x 1.60 mm | LV-PECL | 2.970 to 3.630 V |
| X1M0004110012 | MG7050EAN | 156.250000 MHz | 7.00 x 5.00 x 1.60 mm | LV-PECL | 2.970 to 3.630 V |
| X1M0004110013 | MG7050EAN | 156.250000 MHz | 7.00 x 5.00 x 1.60 mm | LV-PECL | 2.375 to 2.625 V |
| X1M0004110014 | MG7050EAN | 100.000000 MHz | 7.00 x 5.00 x 1.60 mm | LV-PECL | 2.970 to 3.630 V |
| X1M0004110015 | MG7050EAN | 125.000000 MHz | 7.00 x 5.00 x 1.60 mm | LV-PECL | 2.970 to 3.630 V |
| X1M0004110016 | MG7050EAN | 200.000000 MHz | 7.00 x 5.00 x 1.60 mm | LV-PECL | 2.970 to 3.630 V |
| X1M0004110017 | MG7050EAN | 100.000000 MHz | 7.00 x 5.00 x 1.60 mm | LV-PECL | 2.970 to 3.630 V |
| X1M0004110018 | MG7050EAN | 125.000000 MHz | 7.00 x 5.00 x 1.60 mm | LV-PECL | 2.970 to 3.630 V |
| X1M0004110019 | MG7050EAN | 200.000000 MHz | 7.00 x 5.00 x 1.60 mm | LV-PECL | 2.970 to 3.630 V |
| X1M0004110020 | MG7050EAN | 156.253906 MHz | 7.00 x 5.00 x 1.60 mm | LV-PECL | 2.375 to 2.625 V |
| X1M0004110021 | MG7050EAN | 100.000000 MHz | 7.00 x 5.00 x 1.60 mm | LV-PECL | 2.375 to 2.625 V |
| X1M0004110022 | MG7050EAN | 125.000000 MHz | 7.00 x 5.00 x 1.60 mm | LV-PECL | 2.375 to 2.625 V |
| X1M0004110023 | MG7050EAN | 156.253906 MHz | 7.00 x 5.00 x 1.60 mm | LV-PECL | 2.970 to 3.630 V |
| X1M0004110024 | MG7050EAN | 156.250000 MHz | 7.00 x 5.00 x 1.60 mm | LV-PECL | 2.970 to 3.630 V |
| X1M0004110025 | MG7050EAN | 156.250000 MHz | 7.00 x 5.00 x 1.60 mm | LV-PECL | 2.375 to 2.625 V |
| X1M0004110026 | MG7050EAN | 312.500000 MHz | 7.00 x 5.00 x 1.60 mm | LV-PECL | 2.970 to 3.630 V |
| X1M0004210002 | MG7050VAN | 212.500000 MHz | 7.00 x 5.00 x 1.60 mm | LVDS | 2.970 to 3.630 V |
| X1M0004210003 | MG7050VAN | 156.250000 MHz | 7.00 x 5.00 x 1.60 mm | LVDS | 2.970 to 3.630 V |
| X1M0004210004 | MG7050VAN | 125.000000 MHz | 7.00 x 5.00 x 1.60 mm | LVDS | 2.375 to 2.625 V |
| X1M0004210005 | MG7050VAN | 644.531250 MHz | 7.00 x 5.00 x 1.60 mm | LVDS | 2.375 to 2.625 V |
| X1M0004210006 | MG7050VAN | 322.265625 MHz | 7.00 x 5.00 x 1.60 mm | LVDS | 2.375 to 2.625 V |
| X1M0004210007 | MG7050VAN | 156.250000 MHz | 7.00 x 5.00 x 1.60 mm | LVDS | 2.970 to 3.630 V |
| X1M0004210008 | MG7050VAN | 100.000000 MHz | 7.00 x 5.00 x 1.60 mm | LVDS | 2.970 to 3.630 V |
| X1M0004210009 | MG7050VAN | 100.000000 MHz | 7.00 x 5.00 x 1.60 mm | LVDS | 2.970 to 3.630 V |
| X1M0004210010 | MG7050VAN | 125.000000 MHz | 7.00 x 5.00 x 1.60 mm | LVDS | 2.970 to 3.630 V |
| X1M0004210011 | MG7050VAN | 125.000000 MHz | 7.00 x 5.00 x 1.60 mm | LVDS | 2.970 to 3.630 V |
| X1M0004210012 | MG7050VAN | 156.250000 MHz | 7.00 x 5.00 x 1.60 mm | LVDS | 2.970 to 3.630 V |
| X1M0004210013 | MG7050VAN | 200.000000 MHz | 7.00 x 5.00 x 1.60 mm | LVDS | 2.970 to 3.630 V |
| X1M0004210014 | MG7050VAN | 200.000000 MHz | 7.00 x 5.00 x 1.60 mm | LVDS | 2.970 to 3.630 V |
| X1M0004210015 | MG7050VAN | 322.265625 MHz | 7.00 x 5.00 x 1.60 mm | LVDS | 2.970 to 3.630 V |
| X1M0004210016 | MG7050VAN | 125.000000 MHz | 7.00 x 5.00 x 1.60 mm | LVDS | 2.375 to 2.625 V |
| X1M0004310004 | MG7050HAN | 100.000000 MHz | 7.00 x 5.00 x 1.60 mm | HCSL | 2.970 to 3.630 V |
| X1M0004310006 | MG7050HAN | 100.000000 MHz | 7.00 x 5.00 x 1.60 mm | HCSL | 2.970 to 3.630 V |
| X1M0004310007 | MG7050HAN | 100.000000 MHz | 7.00 x 5.00 x 1.60 mm | HCSL | 2.970 to 3.630 V |
| X1M0004310008 | MG7050HAN | 100.000000 MHz | 7.00 x 5.00 x 1.60 mm | HCSL | 2.970 to 3.630 V |
| X1M0004310009 | MG7050HAN | 100.000000 MHz | 7.00 x 5.00 x 1.60 mm | HCSL | 2.970 to 3.630 V |
| X1M0004310010 | MG7050HAN | 156.250000 MHz | 7.00 x 5.00 x 1.60 mm | HCSL | 2.970 to 3.630 V |
| X1M0004310011 | MG7050HAN | 156.250000 MHz | 7.00 x 5.00 x 1.60 mm | HCSL | 2.970 to 3.630 V |
.gif)
1.技術支持 2.客服咨詢
全方位技術指導,專業的技術支持讓您感受到 專業的銷售團隊,耐心為您解答任何疑問,讓您的
前所未有的后顧無憂. 消費得到保障.
3.質量保證,誠信為上 4.提升業績,降低成本
我司以“以科技為動力,以質量求生存”為理念. 為您的產品量身訂制,免費取樣,
為您做到低成本,高效率.

全方位技術指導,專業的技術支持讓您感受到 專業的銷售團隊,耐心為您解答任何疑問,讓您的
前所未有的后顧無憂. 消費得到保障.
3.質量保證,誠信為上 4.提升業績,降低成本
我司以“以科技為動力,以質量求生存”為理念. 為您的產品量身訂制,免費取樣,
為您做到低成本,高效率.

| 深圳市康華爾電子有限公司 |
| 電 話: +86-755-27838351 |
| 手 機:13823300879 |
| 傳 真: +86-755-27883106 |
| Q Q: 632862232 |
| MSN: konuaer@163.com |
| E-mail:konuaer@163.com |
| 網 址:http://www.a7269.cn |
|
地 址:廣東深圳市寶安寶安大道東95號浙商銀行大廈1905 |







銷售代表
售后服務