產品系列
- 32.768KHz
- 石英晶振
- 貼片晶振
- 聲表面濾波器
- 陶瓷晶振
- 陶瓷霧化片
- 陶瓷濾波器
- 微孔霧化片
- CTS晶振
- KDS晶振
- 愛普生晶振
- 西鐵城晶振
- 精工晶體
- 村田晶振
- 京瓷晶振
- DST310S晶振
- 日本大河晶體
- NDK晶振
- 亞陶晶振
- 日本富士晶振
- NAKA晶振
- SMI晶振
- NKG晶振
- NJR晶振
- 臺灣加高諧振器
- 臺灣鴻星晶體
- TXC晶振
- 臺灣希華晶振
- 臺灣泰藝晶體
- NSK晶振
- AKER晶振
- Dynamic迪拉尼晶振
- Q-Tech晶振
- ABRACON晶振
- VECTRON晶振
- JAUCH晶振
- ConnorWinfield晶振
- Rakon晶振
- ECS晶振
- Greenray晶振
- ECLIPTEK晶振
- GOLLEDGE晶振
- STATEK晶振
- Pletronics晶振
- SITIME晶振
- Microcrystal晶振
- RALTRON晶振
- AEK晶振
- AEL晶振
- ILSI晶振
- FOX晶振
- fujicom晶振
- CRYSTEK晶振
- interquip晶振
- Geyer晶振
- quartzcom晶振
- qantek晶振
- EUROQUARTZ晶振
- quarztechnik晶振
- Cardinal晶振
- FRE-TECH晶振
- KVG晶振
- wi2wi晶振
- Transko晶振
- suntsu晶振
- mmdcomp晶振
- MERCURY晶振
- MTRONPTI晶振
- ACT晶振
- MTI晶振
- Lihom晶振
- Rubyquartz晶振
- Oscilent晶振
- SHINSUNG晶振
- ITTI晶振
- PDI晶振
- IQD晶振
- Microchip晶振
- Silicon晶振
- Anderson晶振
- Fortiming晶振
- CORE晶振
- NIPPON晶振
- NIC晶振
- QVS晶振
- Bomar晶振
- Bliley晶振
- GED晶振
- FILTRONETICS晶振
- STD晶振
- Wenzel晶振
- NEL晶振
- EM晶振
- PETERMANN晶振
- FCD-Tech晶振
- HEC晶振
- FMI晶振
- Macrobizes晶振
- AXTAL晶振
- SUNNY晶振
- ARGO晶振
- Renesas瑞薩晶振
- SKYWORKS晶振
晶振廠家
進口晶振
臺產晶振
歐美晶振
Tel:0755-27838351
Add:廣東深圳市寶安區67區留仙一路甲岸科技園3棟5樓
Email:konuaer@163.com
QQ:632862232
晶振官方博客
更多>>.jpg)
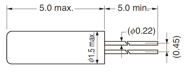
VT-150-F晶振,耐高溫晶振,日本精工株式會社,超小型,薄型,質地輕的表面貼片音叉型石英晶體諧振器,具備優良的耐熱性,耐環境特性,在辦公自動化,家電領域,移動通信領域可發揮優良的電氣特性,符合無鉛標準,滿足無鉛焊接的.
☆☆☆☆☆☆☆☆☆☆☆☆☆☆☆☆☆☆☆☆☆☆☆☆☆☆☆☆☆☆☆☆☆☆☆☆☆☆☆
.gif)
| 晶振項目 | 符號 | VT-150-F規格 | 條件/筆記 |
| 標稱頻率 | f_nom | 32.768kHz | |
| 頻率公差 | f_tol | (±5 x 10−6), ±10 x 10−6 , ±20 x 10−6 | |
| 營業額溫度 | Ti | +25±5°C | |
| 拋物線系數 | B | (−3.5±0.8) x 10−8/°C2 | |
| 負載電容 | CL | 4.5 to 12.5pF | |
| 動態電阻(ESR) | R1typ./max. | 30kΩ / 50kΩ | |
| 絕對最大驅動水平 | DLmax | 1μW | |
| 級別的驅動 | DL | 0.1μW | |
| 并聯電容 | C0 | 0.9pF typ. | |
| 頻率老化 | f_age | ±5 x 10−6 | +25±3°C, First Year |
| 操作溫度 | T_use | −10°C to +60°C | |
| 儲存溫度下 | T_stg | −30°C to +70°C | Piece part basis |
.gif)


石英晶振的激勵等級可以按照晶振的各種工作狀態下的消耗電力,或按照電流的等級來進行表示(參閱圖9, 10和圖11).如 果利用過大的電力來使晶振工作,有可能產生頻率不穩定等特性的惡化,以及導致石英芯片破損的危險.在使用之前,建 議進行電路設計時,確認一下所使用的激勵等級不超過絕對最大激勵等級.


精工石英晶振特性
♦緊湊的管狀包.
♦照相平版印刷的過程.
♦優秀的抗沖擊性能和環境特征.
♦符合RoHS指令.
♦完整的鉛自由.
精工石英晶振應用
推廣節省能源活動
繼續貫徹以零排出為目標,推進制造工程中使用部件的3R (縮減、再利用、反復再利用).并且,在日常生產活動中實施減少 水、廢棄物品、化學藥品使用量等的節省能源活動.
推廣綠化采購活動
SII集團制定了“綠化采購的基本原則”,在廣大供應商的協助下積極推進綠化采購.
綠化生活
充分認識鄰接太平山縣立自然公園的地理條件,努力推廣工廠以及工廠周邊的河流、公園等的綠化活動.
.gif)
1.技術支持 2.客服咨詢
全方位技術指導,專業的技術支持讓您感受到 專業的銷售團隊,耐心為您解答任何疑問,讓您的
前所未有的后顧無憂. 消費得到保障.
3.質量保證,誠信為上 4.提升業績,降低成本
我司以“以科技為動力,以質量求生存”為理念. 為您的產品量身訂制,免費取樣,
為您做到低成本,高效率.

全方位技術指導,專業的技術支持讓您感受到 專業的銷售團隊,耐心為您解答任何疑問,讓您的
前所未有的后顧無憂. 消費得到保障.
3.質量保證,誠信為上 4.提升業績,降低成本
我司以“以科技為動力,以質量求生存”為理念. 為您的產品量身訂制,免費取樣,
為您做到低成本,高效率.

| 深圳市康華爾電子有限公司 |
| 電 話: +86-755-27838351 |
| 手 機:13823300879 |
| 傳 真: +86-755-27883106 |
| Q Q: 632862232 |
| MSN: konuaer@163.com |
| E-mail:konuaer@163.com |
| 網 址:http://www.a7269.cn |
| 地 址:深圳市寶安區67區留仙一路甲岸科技園3棟 |





.jpg)

銷售代表
售后服務