產品系列
- 32.768KHz
- 石英晶振
- 貼片晶振
- 聲表面濾波器
- 陶瓷晶振
- 陶瓷霧化片
- 陶瓷濾波器
- 微孔霧化片
- CTS晶振
- KDS晶振
- 愛普生晶振
- 西鐵城晶振
- 精工晶體
- 村田晶振
- 京瓷晶振
- DST310S晶振
- 日本大河晶體
- NDK晶振
- 亞陶晶振
- 日本富士晶振
- NAKA晶振
- SMI晶振
- NKG晶振
- NJR晶振
- 臺灣加高諧振器
- 臺灣鴻星晶體
- TXC晶振
- 臺灣希華晶振
- 臺灣泰藝晶體
- NSK晶振
- AKER晶振
- Dynamic迪拉尼晶振
- Q-Tech晶振
- ABRACON晶振
- VECTRON晶振
- JAUCH晶振
- ConnorWinfield晶振
- Rakon晶振
- ECS晶振
- Greenray晶振
- ECLIPTEK晶振
- GOLLEDGE晶振
- STATEK晶振
- Pletronics晶振
- SITIME晶振
- Microcrystal晶振
- RALTRON晶振
- AEK晶振
- AEL晶振
- ILSI晶振
- FOX晶振
- fujicom晶振
- CRYSTEK晶振
- interquip晶振
- Geyer晶振
- quartzcom晶振
- qantek晶振
- EUROQUARTZ晶振
- quarztechnik晶振
- Cardinal晶振
- FRE-TECH晶振
- KVG晶振
- wi2wi晶振
- Transko晶振
- suntsu晶振
- mmdcomp晶振
- MERCURY晶振
- MTRONPTI晶振
- ACT晶振
- MTI晶振
- Lihom晶振
- Rubyquartz晶振
- Oscilent晶振
- SHINSUNG晶振
- ITTI晶振
- PDI晶振
- IQD晶振
- Microchip晶振
- Silicon晶振
- Anderson晶振
- Fortiming晶振
- CORE晶振
- NIPPON晶振
- NIC晶振
- QVS晶振
- Bomar晶振
- Bliley晶振
- GED晶振
- FILTRONETICS晶振
- STD晶振
- Wenzel晶振
- NEL晶振
- EM晶振
- PETERMANN晶振
- FCD-Tech晶振
- HEC晶振
- FMI晶振
- Macrobizes晶振
- AXTAL晶振
- SUNNY晶振
- ARGO晶振
- Renesas瑞薩晶振
- SKYWORKS晶振
晶振廠家
進口晶振
臺產晶振
歐美晶振
Tel:0755-27838351
Add:廣東深圳市寶安區67區留仙一路甲岸科技園3棟5樓
Email:konuaer@163.com
QQ:632862232
晶振官方博客
更多>>

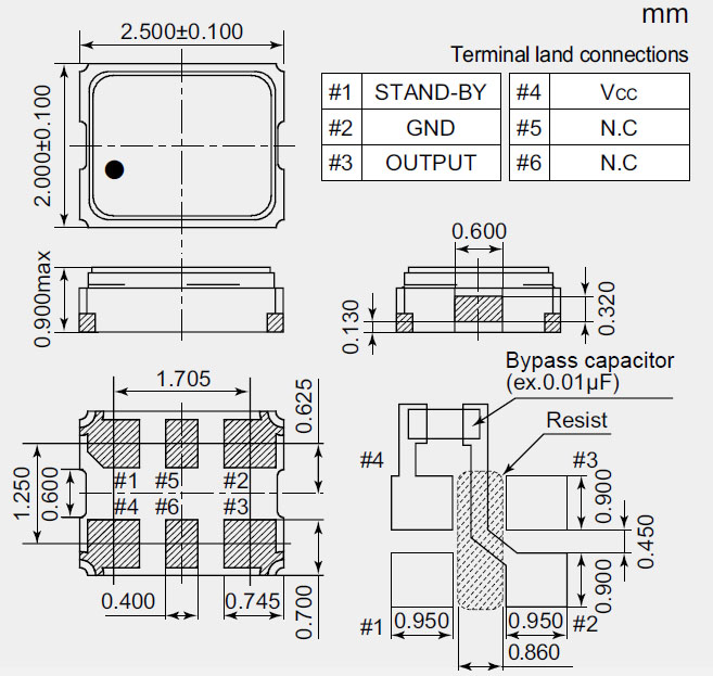
NZ2520SEA石英晶振,NDK晶振代理商,GPS專用晶體,貼片有源石英晶振是指在普通無源晶體上增加了電壓,內部集成了相應IC與電容電阻,需要在凈化萬級車間生產,并且在密封機器設備中焊接加蓋,內部封裝模式是指在真空封裝區域內進行封裝.1.防止外界氣體進入組件體內受到污染和增加應力的產生;2.使組件在真空下電阻減小;3.氣密性高.此技術為研發及生產超小型、超薄型石英晶體元器必須攻克的關鍵技術之一.小型SMD有源晶振,從最初超大體積到現在的7050mm,6035mm,5032mm,3225mm,2520mm體積,有著翻天覆地的改變,體積的變小也試產品帶來了更高的穩定性能,接縫密封石英晶體振蕩器,精度高,覆蓋頻率范圍寬的特點,SMD高速自動安裝和高溫回流焊設計,Optionable待機輸出三態輸出功能,電源電壓范圍:1.8V?5 V,高穩定性,低抖動,低功耗,主要應用領域:無線通訊,高端智能手機,平板筆記本WLAN,藍牙,數碼相機,DSL和其他IT產品的晶振應用,三態功能,PC和LCDM等高端數碼領域,符合RoHS/無鉛.
.gif)
| 石英晶振參數 | NZ2520SEA |
| 額定頻率范圍 (MHz) | 2.75 to 54 |
| 儲存溫度范圍 (°C) | -55 to +125 |
| 工作溫度范圍(°C) | -40 to +85 |
| 綜合頻率允許偏差 | Max. ±15×10-6 |
| 電源電壓 [VCC] (V) | +1.8±0.09, +2.5±0.125, +3.3±0.165 |
| 消費電流 工作時 max(25℃ : mA) |
[1.8V] 3.5 (2.75≤F<11MHz), 4.0 (11≤F<22MHz), 4.5 (22≤F<30MHz), 5.0 (30≤F<40MHz), 6.0 (40≤F<54MHz) |
|
[2.5V] 4.0 (2.75≤F<11MHz), 4.5 (11≤F<22MHz), 5.0 (22≤F<30MHz), 5.5 (30≤F<40MHz), 6.5 (40≤F<54MHz) |
|
|
[3.3V] 4.5 (2.75≤F<11MHz), 5.0 (11≤F<22MHz), 5.5 (22≤F<30MHz), 6.0 (30≤F<40MHz), 8.0 (40≤F<54MHz) |
|
| 消費電流 斷開時 max(25℃ : µA) | 10 |
| VOL Max / VOH Min (V) | 0.2 VCC / 0.8 VCC |
| Tr Max. / Tf Max. (ns) | 5 / 5 (ns) at 0.2 ~ 0.8VCC |
| 波形對稱 Min to Max (%) | 45 to 55 at 1/2VCC |
| 負載電容 (CL) Max. (pF) | 15 |
| 発振起動時間 Max. (ms) | 10 |
| 停振功能 | 可支持(三態) |
| 訂貨規格號 |
NZ2520SEA-26.000000M-NSA3513A(電源電壓 : 1.8V) NZ2520SEA-26.000000M-NSA3513B(電源電壓 : 2.5V) NZ2520SEA-26.000000M-NSA3513C(電源電壓 : 3.3V) |
.gif)


驅動能力
驅動能力說明振蕩晶體單元所需電功率,其計算公式如下:
驅動能力 (P) = i2?Re
其中i表示經過晶體單元的電流,
Re表示晶體單元的有效電阻,而且 Re=R1(1+Co/CL)2.
振蕩補償
除非在振蕩電路中提供足夠的負極電阻,否則會增加振蕩啟動時間,或不發生振蕩.為避免該情況發生,請在電路設計時提供足夠的負極電阻.


.jpg)
在石英晶體元器件市場,市場價格的持續下滑等使得嚴峻的事業環境還將繼續.在這樣的環境下,本集團為了回歸成長路線,將通過重視收益性的改善,集中經營資源于高信賴·高附加價值的商品的開發,來確實建立產生利益體制的堅固基礎.
經營理念
要認識到作為世界一流廠家的使命和責任,要始終在行業中起帶頭作用.
搶先取得社會需求,為客戶提供高質量的服務.
追求使用更方便、更穩定的發振源,創造更高的附加價值.
不畏失敗,向困難挑戰,努力培養出能自我開發的人才.
通過工作發揚人格.
尊重個人,努力提高員工的生活水平.
以與關系公司、供應商及包括地區社會在內的共同繁榮來回報投資者.
致力于保護地球環境,擔負起責任.


2002年通過ISO14001環境管理系統驗證,秉持“污染預防、持續改善”之原則,公司事業廢棄物產出量逐年降低,可回收、再利用之廢棄物比例逐年提高,各項排放檢測數據符合政府法規要求.并由原材料管控禁用或限用環境危害物質與國際大廠對于綠色生產及綠色產品的要求相符,于2004年通過SONY 綠色伙伴(Green Partner)驗證.
勞工職業安全衛生議題近年成為世界各國及企業關注焦點,如何做到‘降低職業災害發生、確保工作場所安全、實施員工健康管理’一直是希華晶體努力的方向,公司于2008年12月通過OHSAS18001職業安全衛生管理系統驗證,提供勞工符合系統要求的安全衛生工作環境.
NDK晶體科技股份有限公司藉由環境/安衛管理系統的推動執行,以整合內部資源,奠定經營管理的基礎.藉執行環境考量面/安衛危害鑒別作業,環境/安衛管理方案和內部稽核為手段,合理化推動環境/安衛管理,落實環境/安衛系統有效實施.并不斷透過教育訓練灌輸員工環境/安衛觀念及意識,藉由改善公司制程以達到污染預防、工業減廢、安全與衛生、符合法規要求使企業永續發展減少環境/安衛負擔,并滿足客戶需求,獲得客戶的信賴而努力.
.gif)
1.技術支持 2.客服咨詢
全方位技術指導,專業的技術支持讓您感受到 專業的銷售團隊,耐心為您解答任何疑問,讓您的
前所未有的后顧無憂. 消費得到保障.
3.質量保證,誠信為上 4.提升業績,降低成本
我司以“以科技為動力,以質量求生存”為理念. 為您的產品量身訂制,免費取樣,
為您做到低成本,高效率.

全方位技術指導,專業的技術支持讓您感受到 專業的銷售團隊,耐心為您解答任何疑問,讓您的
前所未有的后顧無憂. 消費得到保障.
3.質量保證,誠信為上 4.提升業績,降低成本
我司以“以科技為動力,以質量求生存”為理念. 為您的產品量身訂制,免費取樣,
為您做到低成本,高效率.

| 深圳市康華爾電子有限公司 |
| 電 話: +86-755-27838351 |
| 手 機:13823300879 |
| 傳 真: +86-755-27883106 |
| Q Q: 632862232 |
| MSN: konuaer@163.com |
| E-mail:konuaer@163.com |
| 網 址:http://www.a7269.cn |
| 地 址:深圳市寶安區67區留仙一路甲岸科技園3棟 |





銷售代表
售后服務